Combined with productivity and associated reliability costs, a motor circuit analysis program can justify itself immediately.
In recent years methods for controlling energy costs have evolved from a “green option” to a survival strategy. And within the electrical industry, the method with the most potential takes advantage of electric motor system energy strategies.
Electric motor systems use 19% of all energy within the United States, which accounts for 57% of all generated electric power. More than 70% of the electrical energy used by manufacturing, and 90% in process industries, is consumed by motor systems. Electric motor retrofits, variable frequency drive applications, and other energy efficiency strategies have been receiving encouraging attention. However, two oft-overlooked areas are maintenance and reliability.
According to EPRI, proper maintenance can increase the efficiencies of mechanical equipment typically by 10% to 15%. The organization advocates consistently applied motor circuit analysis (MCA), which can help prevent motor failures, enable proactive maintenance or replacement, and improve the energy efficiency of motor systems.
MCA allows the analyst to view the simple resistance, complex resistance, inductance, phase angle, ground insulation condition, and other tests to determine the condition of the electric motor windings. For reasons of safety and accuracy, these readings are best obtained with the equipment de-energized.
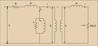
In principle, an electric motor circuit is a series of simple and complex resistance, inductance, and resulting phase angles that are each 120° apart in a 3-phase system (Fig. 1 above). When original defects or impending failure degrade the 3-phase winding, these phase angles become unbalanced. In an assembled electric motor, casting voids or broken bars in the rotor, poor air gap, or a bowed shaft and the resultant mutual induction between the stator and rotor will cause variations.
The ability of MCA equipment to read the mutual inductance between the stator and rotor also allows the analyst to detect defects within the rotor or air gap effectively, quickly, and safely. Most MCA equipment can operate on motors from fractional to more than 10,000 hp and 12V to more than 13.8kV, giving them a broad range of operation. However, this equipment shouldn't be confused with RCL meters, which only provide resistance, capacitance, and induction readings — usually with a Megger or polarization index test added. High-quality MCA units are available for less than $10,000, including software.
An important difference between RCL and MCA meters is their respective impedance readings. Voltage and current unbalances are inversely proportional in AC applications. This provides an important distinction, as a great deal of work has been completed on the economic effects of voltage unbalance. Using simple resistance, you can determine the I2R loss across a point, but you won't be able to determine system reliability. This is also the case with inductance, which varies depending on the winding design and rotor-to-winding position. Systems that use inductance as a base will often fail good electric motors and windings. To obtain a true condition of a motor winding, you must view all of the motor circuit components, including resistance, impedance, inductance, phase angle, and insulation resistance.
Impedance unbalance can significantly alter energy efficiency, thereby affecting costs. Electric motor efficiency can be calculated using the following three-step equation:
Part 1kW=hp×.746×L×[(1004÷1)-(100÷E2)]
where hp is horsepower, L is load, E1 is the new efficiency, and E2 is the original efficiency.
Part 2$kW/yr=$/kW×kW×12 months/year
Part 3$kWh/yr=$/kWh×hr/yr×kW
The effect of impedance unbalance on efficiency can be seen in Fig. 2 above.
For example, an 85% loaded, 50-hp electric motor that operates at 95% efficiency for 6,000 hr per year, with a 3.5% impedance unbalance would have a resulting efficiency of 91%. With an average energy cost of $0.06/kWh and average demand cost of $14/kW, the resulting energy costs would be as follows:
50×.746×.85×[(100÷91)-(100÷95)]=1.47kW
$14/kW×1.47kW×12= $246.96/yr
$0.06/kWh×6,000 hr/yr×1.47kW= $529.20/yr
Annual energy costs = $776.16/yr
The annual increase in energy costs for operating this motor is significant. Impedance unbalance effects within a plant become even more significant as additional electric motors are added. Along with the decrease in efficiency, it affects electric motor system reliability and production.
The reliability impact of MCA. As a direct result of impedance unbalance, the operating temperature of the electric motor will increase, which also places additional electro-mechanical stresses on the motor winding and rotor.It's important to understand that determining a phase unbalance or potential winding failure won't allow you to predict an electric motor failure. Testing can be tracked and trended in order to determine the point at which the reliability, or confidence that the motor will operate as designed, will be reduced to a point that the owner will determine that the motor should be repaired or replaced. This point should be fairly tolerant for non-critical motors and have a low tolerance for critical equipment.
That same 50-hp motor with a 3.5% impedance unbalance would suffer several reliability losses. Losses would increase by 20%. In addition, temperature within the motor would increase 25%. For a motor rated 40°C ambient with Class F insulation and operating in a 22°C environment, the normal temperature rise at 85% load would be 80°C. The 25% increase would make the new temperature rise 100°C — a 20°C temperature increase. Insulation life decreases by half for every 10°C increase, so the 20°C temperature increase would reduce the potential life of the electric motor to 25% of its original potential. This doesn't include any other potential effect on the insulation system or turn insulation system.
With the increase in probability of failure, an estimated cost to production can be established. This production cost estimate can be determined per $1,000 per hour by first using the graph in Fig. 3, then by factoring in how much production will be affected and the potential downtime and startup time should the motor fail unexpectedly.
The same 50-hp electric motor with the 3.5% impedance unbalance used in our earlier example would have a 60% chance of failure and $600/$1,000 in potential production losses. If that motor has a 100% impact on a $5,000 per hour line with a 4-hr downtime and a 1-hr startup time, the potential loss could be $15,000.
Bringing it all together. The examples throughout this article used a critical 50-hp electric motor with a 3.5% impedance unbalance. Based on the equations supplied, the total potential costs associated with this impedance unbalance — financial and otherwise — would be:-
$776.16 per year in increased energy costs.
-
$15,000 in potential production costs.
-
A 60% chance of motor failure.
-
And a 25% original insulation life.
Based on this data, this motor would be a candidate for repair or replacement in order to avoid potential costs. If the motor is removed and replaced during the next shutdown the costs associated with this action could be as follows:
-
$2,250 for replacement with a 95% efficient electric motor.
-
$500 for replacement labor.
-
$8,995 for MCA test equipment cost.
-
$5 for test labor — 5 min at $60/hr.
-
Total: $11,750
You could achieve simple payback in eight months, or two months if you don't consider the cost of the test equipment.
As you can see, MCA is a simple yet powerful tool. The testing range and potential payback is very short. However, the example used within this article represents only one motor in a plant. Should an analysis determine additional electric motors require attention, the original purchase of MCA equipment and implementation of an MCA program, when combined with energy and production costs, are immediate.
Dr. Penrose is the general manager for the All-Test Pro division of BJM Corp. in Old Saybrook, Conn.
